Shankeshwar Presidency

LOCATION: Kalyan DEVELOPER: Shankeshwar Group of Companies
Starting from
A group seeking about a value of your money gives you Free Parking as no parking charges & all building constructed G+7 which will help to maintain your building at low cost. You can say Shankheshwar Presidency is of low cost, low maintained, high investment opportunity and best living in the complex.

Overall Rating 6

Amenities 5.3

Location 6.2

Developer 4.0

Value for Money 4.5

Legal 5.4


About Shankeshwar Presidency
A group seeking about a value of your money gives you Free Parking as no parking charges & all building constructed G+7 which will help to maintain your building at low cost. You can say Shankheshwar Presidency is of low cost, low maintained, high investment opportunity and best living in the complex.
Apartments in Shankeshwar Presidency
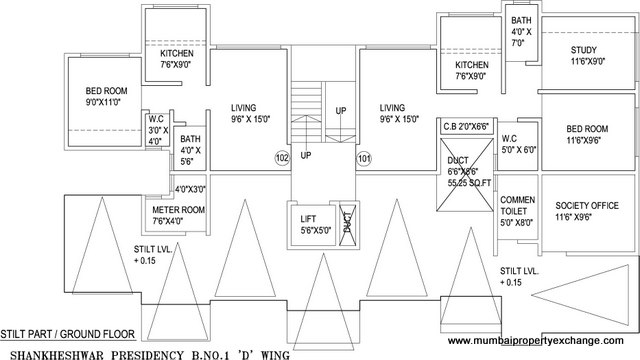
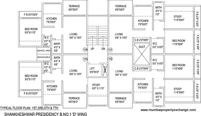
  • 1 BHK apartment in Shankeshwar Presidency 670 sq.ft. Built-up - Base Price 30.15 Lacs.
Specifications
Const. Stage: Sold Out
Parking: Open;
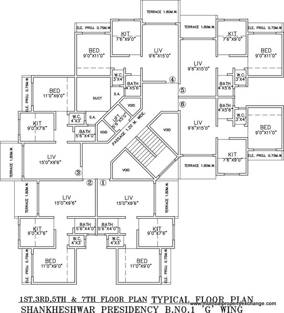
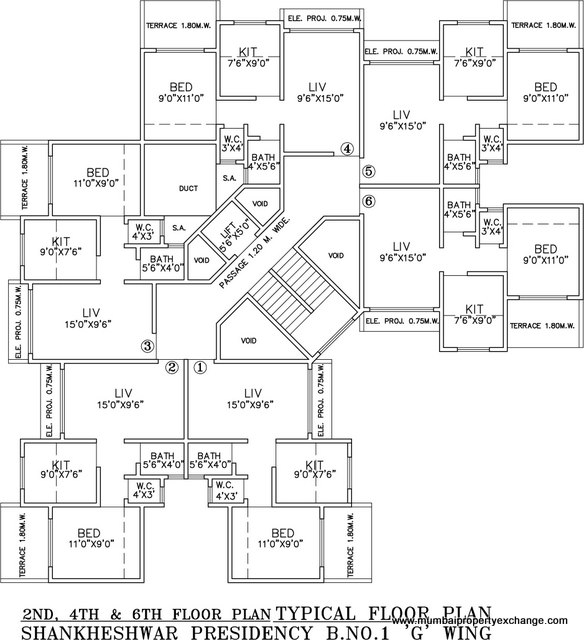
Floors: 7
RERA Registered
Shankeshwar Presidency QR Code
Shankeshwar Presidency
MahaRERA -

Fitouts in 2 years

Guarantee with no doubt

Free Moving

Free packing & moving

Project RERA Details
MAHA RERA No:
RERA Project Name
RERA Developer
Project Type
RERA Project Status
Litigations
RERA Location
Funding Bank
Architect
Proposed Possession
Revised Possession
Extended Possession
Last Modified
Last Retrived

Shankeshwar Presidency Queries

Location Map
4.5
Average Rating
Based on 3 Ratings and 0 Reviews
67%
33%
Submit Review

Add a Review

Your email address will not be published. Required fields are marked *

1 2 3 4 5
Govt. Registered Transactions and Property Rates in Shankeshwar Presidency

Latest Transactions in Shankeshwar Presidency

Date Agreement Price Area(sq.ft) Rate/sq.ft Ready Reckoner Value Flat & Floor No. Transaction Type

Latest News & Articles

Shankeshwar Presidency by Shankeshwar Group of Companies