
Project Overview
Location
Kalyan
Sub-Location
Near Khadakpada Chowk, Gokul Nagari, Vrindavan paradise
Status
Sold Out
Rate
₹4,000/sqft
Type
Residential
Floors
7
📝 Project Description
🏗️ Project Details
An enriched tomorrow depends upon a wise decision made today.Choosing a right home in Central Mumbai suburbs is a wide decision.As a home seeker you have a certain aspirations like good neighborhood ,convenience ,cost, appreciation. Presenting Vasant Park, a residential project that meets your aspirations.
🏢 About the Project
Its a complex called VASANT PARK, which comprises of 3 buildings Cherry Blossom, Orchid and Daffodils.The complex has different configurations i.e 1 bhk, 2 bhk and 3 bhk apartments.
📍 About the Location
The project is located at a convenient environ that enables you to walk down to School, temple, market, mall,club & multiplexes. All this at a location overlooking plush greenery and proximity to serene blue river makes it your family ideal home.
🗺️ Proximity & Distances
Airport
120 min
Railway Station
20 min
📊 Expert Analysis
📸 Project Gallery (4 images)

Main Image

B and C wing

12th April 2011

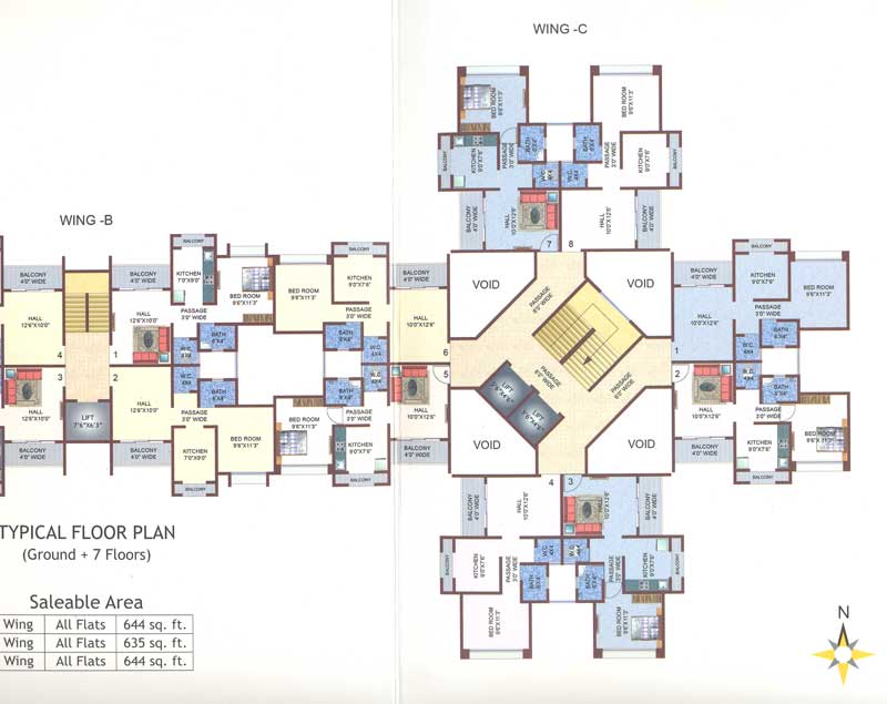
Floor Plan
🏊 Amenities & Features (2 amenities)
Common
(1)
🏢 Grand entrance lobby
General
(1)
✨ None
📐 Floor Plans & Site Plans
🔒 Share your details to receive floor plans directly on WhatsApp.

📐 Floor Plan — 🔐 Share details to view
Other Projects in Kalyan
📐 Approximate Pricing — Area & Bedrooms
| Type | Carpet Area | Indicative Price | Approx. ₹/sqft |
|---|---|---|---|
| 1 BHK | None sq.ft. | None | — |
| 1 BHK | None sq.ft. | None | — |
⚠️ Disclaimer: All prices listed above are approximate and indicative only,
sourced from publicly available information. Final pricing is determined and communicated
exclusively by the Developer at their registered office. Mumbai Property Exchange makes no
warranty regarding accuracy and accepts no liability — no queries on pricing shall be
entertained.
🧮 Financial Tools
💰 EMI Calculator
—
Monthly EMI
—
Loan Amount
—
Total Interest
🔄 Rent vs Buy
Should you rent or buy in Kalyan? Compare monthly costs.
—
Monthly Rent Cost
—
Monthly Buy Cost (EMI)
❓ Frequently Asked Questions
What configurations are available at Cherry Blossom?
Cherry Blossom offers 1 BHK configurations.
What is the price per sq.ft. at Cherry Blossom?
The approximate price per sq.ft. at Cherry Blossom is ₹4000. Actual rates may vary.
When is the possession date for Cherry Blossom?
The expected possession date for Cherry Blossom is Dec 2011.
What amenities are available at Cherry Blossom?
Cherry Blossom offers amenities including Grand entrance lobby, and more.
Where is Cherry Blossom located?
Cherry Blossom is located in Kalyan, Mumbai.
📊 Property Rates in Kalyan
₹4,000/sqft
This Project Rate
⏳ Loading market data...
🏘️ Properties in Kalyan
⏳ Loading properties in Kalyan...
Kalyan · Sold Out






